Hliníkový narážecí profil Juvio II, eloxovaný hliník
Hliníkové úchytové profily jsou ideální řešení pro nábytková dvířka díky kterému si...
Hliníkové úchytové profily jsou ideální řešení pro nábytková dvířka díky kterému si můžete zařídit svůj domov pěkným, praktickým a funkčním nábytkem.
Doručení zdarma při nákupu od 3999Kč
Odborné poradenství.
Online platba kartou.
Registrace pro truhláře.
Popis
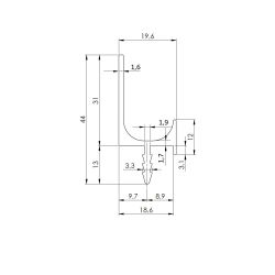
Úchytový profil Juvio II lze použít na dvířkách v kombinaci s materiálem tloušťky 18 mm.
Délka profilu je 2900 mm.
Úchytové profily jsou dostupné ve čtyřech barevných provedeních - eloxovaný hliník, imitace nerezu, černá matná, bílá matná.
Profil je vyroben z hliníku, díky tomu lze profil snadno zkrátit na míru pomocí pilového kotouče na dřevotřísku.
Použitím úchytového profilu Juvio II máte možnost zařídit si svůj nábytek v jednotném stylu. Úchytový profil se hodí nejen na kuchyňskou linku, ale také do ložnice, pracovny, kanceláře, obývacího pokoje, dětského pokoje nebo na jakýkoli jiný nábytek. Použitím úchytkového profilu s vytvoříte dvířka s moderním a harmonickým designem, přičemž nic nezasahuje do prostoru, získáte efekt diskrétní elegance. Profil lze použít jak na horních tak i spodních skříňkách, na dvířkách se závěsy i na zásuvky.
Úchytové profily se ideálně hodí do prostorů, které jsou navrženy v minimalistickém a moderním stylu a také pro všechny, kteří hledají praktické řešení otevírání nábytkových dvířek. Jsou vhodné pro všechny kteří si cení prostor bez narušení úchytkou a současně si chtějí zachovat pohodlí používání kování s tlumením při zavírání. Jejich výhoda oproti profilům za dvířky je v tom, že neubírají nic z využitelného prostoru ve skříňce. Otevírání dvířek je jednoduché a pohodlné, tvar úchytového profilu je navržen tak, aby nic nepřekáželo při používání profilu.
Doporučujeme vám seznámit se s celou nabídkou našeho eshopu, v nabídce máme široký výběr nábytkového kování.
Technický nákres hliníkového narážecího profilu Juvio II:

Na obrázku je příklad použití nábytkového hliníkového narážecího profilu Hliníkový narážecí profil Juvio II, černá matná

Vlastnosti produktu
Parametry
Recenze produktu




Zdroj recenzí pochází z nákupního portálu Heureka
Recenze obchodu
Zdroj recenzí pochází z nákupního portálu Heureka
Mohlo by vás také zajímat
Hliníkové úchytové profily jsou ideální řešení pro nábytková dvířka díky kterému si...
Hliníkové úchytové profily jsou ideální řešení pro nábytková dvířka díky kterému si...
Hliníkové úchytové profily jsou ideální řešení pro nábytková dvířka díky kterému si...
Úchytka Zoid je vkusný a minimalistický doplněk ke každému druhu vestavěného nebo volně...
Úchytka Nary je vkusný a minimalistický doplněk ke každému druhu vestavěného nebo volně...
Hliníkové úchytové profily jsou ideální řešení pro nábytková dvířka díky kterému si...
Úchytka Ramara je dokonalým doplňkem do nábytku pro osoby které si cení minimalismu a...
Hliníkové úchytové profily jsou ideální řešení pro nábytková dvířka díky kterému si...